Натяжитель ремня ГРМ на Volkswagen Passat B5 (3B2)
Нет в наличии
Натяжной ролик ГРМ на Volkswagen Passat B5 седан (3B2) (1996 - 2001)
натяжной ролик грм; ролик натяжителя ремня грм; натяжной ролик ремня грм; натяжитель ремня грм
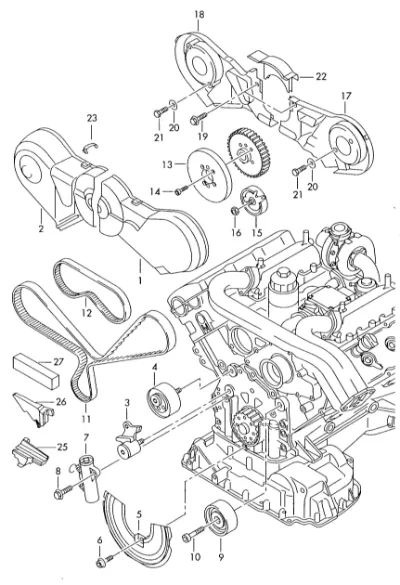
Схема применения Натяжитель ремня ГРМ для Volkswagen PASSAT B5 (3B2) (1996 - 2001)
Зубчатый ремень Защитный кожух ремня

Номер | ОЕМ | Наименование запчасти | |
---|---|---|---|
1 | 059109107 | Защитный кожух ремня | |
2 | 059109108A | Защитный кожух ремня | |
3 | 059109487C | Рычаг натяжителя | |
4 | 059109243J | Натяжной ролик | |
5 | 059109127C | Защитный кожух ремня | |
6 | N10115402 | Винт с цилиндрической головкой с внутр.шестигр. (комбинир.) | |
7 | 059109479B | Натяжитель с демпфером | |
8 | N10205601 | Винт с шестигр.гол.(с шайбой) | |
9 | 059109244B | Направляющий ролик | |
9 | 059109244 | Направляющий ролик | |
10 | N0447062 | Винт с цилиндрической головкой с внутренним шестигранником | |
11 | 059109119A | Зубчатый ремень | |
12 | 059130113A | Зубчатый ремень | |
13 | 059130103B | Маховик | |
14 | N0147091 | Винт с цилиндрической головкой с внутренним шестигранником | |
15 | 059109243L | Натяжной ролик | |
16 | N10218708 | Гайка шестигранная | |
17 | 059109133G | Держатель | |
18 | 059109134D | Держатель | |
19 | N90523801 | Винт с шестигр.гол.(с шайбой) | |
20 | N0115476 | Подкладная шайба | |
21 | N01021527 | Винт с шестигранной головкой | |
22 | 059109156A | Накладка | |
23 | 078109150A | Пружинная скоба | |
25 | 059103931 | Накладка | |
26 | 059103931A | Накладка | |
27 | 059103931C | Накладка |
Экспертам Автопро известны дополнительные комплектации "Натяжитель ремня ГРМ":
-
Натяжной ролик ГРМ стандартная комплектация
- 531020320
- 06A109479
- 06A109479A
- 06A109479B
- 06A109479C
- 06A109479F
- 531020320
- 55443
- ATB2088
- 06A109479C
- VKM11113
- 0N157
- 30030068
- T43010
- FS00002
- GT35727
- 06A109479FH
- 0340080SX
- RT1131
- 23879N5
- 10140068
- 19404
- 058109479
- 058109479B
- 533003220
- 55709
- VKM11009
- 30919404
- T43066
- GT35745
- GT35745
- 10140095
- 540505
- 22356
- 078109479E
- 533003420
- 55492
- VKM11209
- T43026
- GT35742
- GT35742
- 7764824
- 045109479B
- 533003510
- 55495
- VKM11145
- T43063
- GT35739
- GT35739
- RT1564
-
Натяжной ролик ГРМ гидравлический
-
Натяжной ролик ГРМ с демпфером